|
Поиск по сайту: |
|
По базе: |
![]() |
| Главная страница > Применение > Микроконтроллеров > AVR | |||||||||
|
|
||||||||||||||||||||||||||||||||||||||||||||||||
AVR1017AVR микроконтроллеры XMEGA – рекомендации по проектированию USB устройствОсновные вопросы:
Введение Микроконтроллеры семейства AVR XMEGA компании ATMEL позволяют легко реализовать USB интерфейс. Однако, для проектирования устройств, полностью соответствующих спецификации USB, следует ознакомиться с некоторыми вопросами. Этот документ знакомит с рядом рекомендаций, которые охватывают следующие технические вопросы:
Этот документ написан в помощь инженерам-конструкторам, которые знакомы с архитектурой микроконтроллеров AVR XMEGA. Так же необходимо знание основных требований протокола USB 2.0 (www.usb.org)
2. Список сокращений
3. Общие требования к аппаратной реализации USB интерфейса USB интерфейс включает дифференциальную пару линий данных (DP и DM) и линии шины питания (VBUS и GND). Напряжение VBUS составляет 5 В и используется, при необходимости, для питания присоединяемых устройств. Напряжение дифференциальной пары (DP/DM) для полноскоростных (FS) и низкоскоростных (LS) устройств составляет 3.3 В, в то время как для высокоскоростных (HS) устройств необходимо более низкое напряжение. В этом документе не рассматривается режим HS, так как в архитектуре XMEGA реализованы только FS и LS модули USB. Напряжение дифференциальной пары 3.3 В в режимах FS и LS находится в диапазоне напряжения питания микроконтроллеров XMEGA. Соответственно, для работы USB модуля, напряжение питания микроконтроллера должно составлять 3.3 В. 3.1. Схемы питания В соответствии со спецификацией USB протокола, USB устройства делятся на две категории по методу питания — устройства с питанием от собственного источника (self-powered) и устройства с питанием от шины USB (bus-powered). 3.1.1 Устройства с собственным источником питания Устройства, работающие от собственного источника питания ни при каких режимах работы не допускают потребление тока с шины USB интерфейса. 3.1.2. Устройства с питанием от шины USB Устройства с питанием от шины USB используют в качестве источника питания 5-вольтовую линию VBUS шины USB интерфейса. Максимально допустимый ток потребления определяется режимом работы USB интерфейса. 3.1.2.1 Режим приостановки (Suspend Mode) В любой момент времени хост контроллер USB может принять решение о переходе в экономичный режим (режим сна или ожидания) с целью снижения потребляемой мощности. Общий ток потребления устройства в этом режиме не должен превышать 2.5 мА. Для этого схема устройства должна иметь возможность:
Примечание: При расчете тока потребления в экономичном режиме, обратите внимание, что линии DP и DM шины USB должны оставаться в активном состоянии. 3.1.2.2 Рабочий режим (Operating Mode) Максимальное значение тока, которое USB устройство может потреблять от линии VBUS, определяется типом устройства и его состоянием. Не допускается потребление тока более 100 мА до полной инициализации (enumeration process) устройства. Максимально допустимый ток потребления устройства устанавливается в процессе его инициализации. Ток нагрузки устанавливается в диапазоне 0...100 мА для устройств с низким потреблением (low-power) и 0...500 мА для устройств с высоким потреблением (high-power) мощности. 3.1.3. Пусковый ток В спецификации USB 2.0 указано: «максимальная емкость (СRPB), которая может быть подключена к выходному концу кабеля параллельно с одной модульной нагрузкой 100 мА (one unit load) составляет 10 мкФ. Эта емкость представляет собой шунтирующий конденсатор, подключенный к линии VBUS в устройстве, плюс все паразитные емкости между источником питания и устройством». Таким образом, максимальная емкость, которая может быть подключена к линии VBUS не может превышать 10 мкФ, что составляет примерно 50 мкКл. Из документов USB IF: «Пусковый ток измеряется в течении 100 мсек после момента подключения. Подключение определяется, как момент соединения клемм VBUS и «земля» вилки и розетки. Все случаи превышения тока сверх 100 мА в течении 100 мсек рассматриваются как части процесса возникновения пускового тока. Процесс пускового тока делится на участки. Участком называется интервал в котором ток превышает 100 мА в течение не менее 100 мксек. Таких участков во время 100 мсек может быть несколько. Соответствие или несоответствие определяется по региону с максимальным зарядом»
Для более подробного ознакомления с требованиями к пусковому току следует обращаться на сайт USB-IF, на страницу с последними изменениями. (http://compliance.usb.org) 3.1.4. Обратное напряжение Устройства с собственным источником питания (self-powered) могут функционировать неподключенными к шине USB или не использовать USB интерфейс. В спецификации USB сказано, что на линиях DP, DM или VBUS не должно быть никакого напряжения, пока устройство не подключено к шине USB. Следовательно, устройство с автономным питанием должно иметь механизм определения состояния подключения к шине (через контроль сигнала VBUS) для исключения некорректного подключения подтягивающих резисторов к линиям DP и DM. 3.2. Целостность сигнала. Электрические требования полноскоростного режима работы USB (full-speed) требуют применения некоторых мер для обеспечения целостности сигнала. Низкое качество сигнала может привести к неправильному функционированию USB устройства и несовместимости с требованиями USB. Во время проведения сертификации, качество USB сигнала измеряется с помощью «глазковой» диаграммы. На рисунке 3.2 показаны правильная (соответствующая USB) и неправильная «глазковые» диаграммы. Одними из причин низкого качества сигнала могут быть неправильное проектирование печатной платы или несогласование волновых сопротивлений дифференциальных линий USB. 3.2.1. «Разводка» печатной платы USB. Волновое сопротивление дифференциальной пары составляет 90 Ом между линиями и 45 Ом между линией и землей и может потребовать подключения согласующих резисторов к окончаниям линии. Эти согласующие резисторы есть в устройствах ATXMEGA. Для обеспечения высокого качества сигнала, линии DP и DM должны быть расположены как можно ближе друг к другу на печатной плате:
На рисунке: Разъем USB, RC – фильтр между экраном и землей, ограничитель перенапряжений, дифференциальная пара USB 3.2.2. Выбор источника тактового сигнала. В полноскоростном режиме, при скорости 12 Мбит/с требуется 0,25% точность сигнала. Кроме этого механизм восстановления данных требует 4-кратной внутренней передискретизации (oversampling). Таким образом, устройство должно иметь возможность генерации точного сигнала частотой 48 МГц. Для обеспечения качества сигнала, в устройствах ATMEL AVR ATXMEGA предусмотрены различные способы для формирования сигнала с частотой 48 МГц:
Наиболее удобным способом является использование встроенного RC – генератора на 32 МГц, настроенного на 48 МГц. Для достижения точности в 0,25%, встроенный RC – генератор должен быть откалиброван с использованием встроенного цифрового ФАПЧ. Это решение позволяет снизить стоимость покупных компонентов (не требуется внешний кварцевый резонатор) Примечание: USB модуль микроконтроллеров AVR ATXMEGA требует, чтобы частота контроллера составляла, как минимум, 12 МГц для возможности приема/передачи данных. Убедитесь, что системная частота микроконтроллера (system clock) составляет, как минимум 12 МГц при использовании модуля USB. Эта частота может быть выключена при переводе USB в режим приостановки. 3.3 Подключение к шине. 3.3.1. Типы соединителей. USB устройство может быть подключено к USB хосту с использованием кабеля с вилкой (captive cable) или USB – кабеля и установленного коннектора. USB спецификация определяет, что USB устройство может иметь один и только один из ниже перечисленных разъемов:
При подаче заявки на сертификацию USB устройства, убедитесь, что используете сертифицированный USB разъем из списка USB-IF. Информация о сертифицированных разъемах USB может быть найдена на соответствующей странице USB-IF (www.usb.org/kcompliance/view) Применяйте экранированный кабель при использовании кабеля с вилкой (captive cable) в режиме FS и не превышайте длину кабеля 1,5 метра в режиме LS. 3.3.2. Защита от электростатических разрядов USB устройства могут использоваться без защиты от влияния внешней среды и могут подвергнуться действию разрядов статического электричества. Несмотря на встроенные в микроконтроллеры ATXMEGA средства защиты от электростатических разрядов рекомендуется усилить защиту линий DP, DM и VBUS используя предназначенные для этого ограничители перенапряжений. Для того, чтобы сократить путь разряда и снизить влияние разряда на всю систему эти ограничители должны быть расположены максимально близко от разъема USB интерфейса.
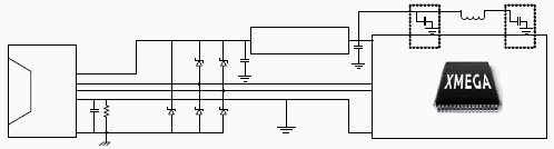
На рисунке: ограничители перенапряжений Ограничители перенапряжений могут быть как дискретными компонентами, так и специализированными интегральными схемами защиты USB интерфейса. 3.3.3. Электромагнитная совместимость. Следует обратить внимание на подключение экрана USB FS кабеля к плате устройства. Особое внимание должно быть уделено соединению между землей платы и экраном кабеля и коннектора. Непосредственное подключение экрана к земле платы создаст прямое соединение с земли платы на экран кабеля и превратит USB кабель в антенну. Для уменьшения антенного эффекта кабеля USB рекомендуется производить подключение экрана кабеля к земле платы через RC фильтр, как показано на рисунке 3.5. Типовые значения: R = 1 МОм, С = 4.7 нФ.
На рисунке: экран кабеля и коннектора, RC-фильтр между землей и экраном, земля платы 4. Типовые USB решения на базе микроконтроллеров XMEGA. Микроконтроллеры XMEGA со встроенным модулем USB обеспечивают высокую легкость реализации USB соединения благодаря минимальному числу необходимых внешних компонентов:
4.1. Требования к источнику питания Рабочее напряжение дифференциальной пары USB, как правило, составляет 3.3 В, соответственно микроконтроллер должен работать при напряжении питания VCC = 3.3 В. 4.2. Питание от шины USB (bus-powered). При проектировании USB устройств с питанием от шины USB, управление питанием является очень важным. Микроконтроллеры XMEGA имеют много энергосберегающих режимов работы для достижения минимального потребления мощности. Тем не менее, следует внимательно подойти к вопросу выбора внешних компонентов. В соответствии с вышеизложенным, устройства с питанием от шины используют 5-вольтовую линию VBUS для питания всего подключенного устройства. Для формирования напряжения питания 3.3 В для микроконтроллера следует применять регулятор с низком падением напряжения. При выборе регулятора убедитесь, что ток покоя не будет занимать существенную часть всего потребления в 2.5 мА в режиме приостановки.
4.3. Обнаружение сигнала VBUS при работе от собственного источника питания. Устройства с автономным питанием должны иметь возможность обнаружения сигнала VBUS для определения состояния соединения. Для этого можно использовать резисторный делитель напряжения.
5. Выводы. За последние годы, USB стал стандартным и простым в использовании интерфейсом. Микроконтроллеры XMEGA представляют собой эффективное решение для встраивания USB в различные приложения. Однако проектирование устройств, которые полностью соответствуют спецификации USB требуют внимательного отношения к некоторым вопросам. В таблице 5.1 приведены технические вопросы и их возможные решения. Таблица 5.1.
Исходный документ:
Параметрический поиск микроконтроллеров серии XMEGA:
Главная - Микросхемы - DOC - ЖКИ - Источники питания - Электромеханика - Интерфейсы - Программы - Применения - Статьи |
||||||||||||||||||||||||||||||||||||||||||||||||