Поиск по сайту:

 


По базе:  

микроэлектроника, микросхема, микроконтроллер, память, msp430, MSP430, Atmel, Maxim, LCD, hd44780, t6963, sed1335, SED1335, mega128, avr, mega128  
  Главная страница > Статьи > Силовая электроника




А.И. Колпаков

Обеспечение защиты от перегрузки в MOSFET драйверах

Введение

Силовые транзисторы IGBT и MOSFET стали основными элементами, применяемыми в мощных импульсных преобразователях. Их уникальные статические и динамические характеристики позволяют создавать устройства, отдающие в нагрузку сотни кВт при минимальных габаритах и кпд, превышающем 95%.

Общим у IGBT и MOSFET является изолированный затвор, в результате чего эти элементы имеют схожие характеристики управления. Благодаря отрицательному температурному коэффициенту тока короткого замыкания, появилась возможность создавать транзисторы, устойчивые к короткому замыканию.

Для ключевых элементов с управляющим затвором опасным также является состояние, когда напряжение управления падает до значения, при котором транзистор может перейти в линейный режим и выйти из строя из-за перегрева кристалла.

Отсутствие тока управления в статических режимах и общее низкое по-требление по цепям питания позволяет отказаться от гальванически изолированных схем управления на дискретных элементах и создать интегральные схемы управления - драйверы. В настоящее время ряд фирм и прежде всего фирма International Rectifier выпускает широкую гамму таких устройств, управляющих одиночными транзисторами, полумостами и мостами - двух и трехфазными. Кроме обеспечения тока затвора они способны выполнять и ряд вспомогательных функций, таких, как защита от перегрузки по току, падения напряжения управления и ряд других.

В данной статье рассматриваются способы использования серийных драйверов для режимов защиты.

Режимы короткого замыкания

Рис. 1

Причины возникновения токовых перегрузок разнообразны. Чаще всего это аварийные случаи, такие как пробой на корпус или замыкание нагрузки.

Перегрузка может быть вызвана и особенностями схемы, например переходным процессом или током обратного восстановления диода оппозитного плеча. Такие перегрузки должны быть устранены схемотехническими методами: применением цепей формирования траектории (снабберов), выбором резистора затвора, изоляцией цепей управления от силовых и др.

Подробно поведение транзисторов в режимах короткого замыкания (КЗ) дано в 1.

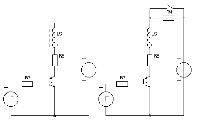
Включение транзистора при коротком замыкании в цепи нагрузки

Рис. 2

Принципиальная схема и эпюры напряжения, соответствующие этому ре-жиму, приведены на рис. 1а и 2. Все графики получены при анализе реальных схем с помощью программы PSpice. Для анализа били использованы усовер-шенствованные модели транзисторов MOSFET фирмы International Rectifier и макромодели IGBT и драйверов, разработанные автором статьи.

Максимальный ток в цепи коллектора транзистора ограничен напряжением на затворе и крутизной транзистора. Из-за наличия емкости в цепи питания, внутреннее сопротивление источника питания не влияет на ток КЗ. В момент включения ток в транзисторе нарастает плавно из-за паразитной индуктивности LS в цепи коллектора (средний график на рис.2). По этой же причине напряжение имеет провал (нижний график). После окончания переходного процесса к транзистору приложено полное напряжение питания, что приводит к рассеянию колоссальной мощности в кристалле. Режим КЗ необходимо прервать через некоторое время, необходимое для исключения ложного срабатывания. Это время обычно составляет 1-10мкс. Естественно, что транзистор должен выдерживать перегрузку в течение этого времени.

Короткое замыкание нагрузки у включенного транзистора

Принципиальная схема и эпюры напряжения, соответствующие этому режиму, приведены на рис. 1б и 3. Как видно из графиков, процессы в этом случае происходят несколько иначе. Ток, как и в предыдущем случае ограниченный параметрами транзистора, нарастает со скоростью, определяемой паразитной индуктивностью Ls (Средний график на рис.3). Прежде, чем ток достигнет установившегося значения, начинается рост напряжения Vce (нижний график). Напряжение на затворе возрастает за счет эффекта Миллера (верхний график). Соответственно возрастает и ток коллектора, который может превысить установившееся значение. В этом режиме кроме отключения транзистора необходимо предусмотреть и ограничение напряжения на затворе.

Рис. 3

Как было отмечено, установившееся значение тока КЗ определяется на-пряжением на затворе. Однако уменьшение этого напряжения приводит к повышению напряжения насыщения и, следовательно, к увеличению потерь проводимости. Устойчивость к КЗ тесно связана и с крутизной транзистора. IGBT с высоким коэффициентом усиления по току имеют низкое напряжение насыщения, но небольшое допустимое время перегрузки. Как правило транзисторы, наиболее устойчивые к КЗ имеют высокое напряжение насыщения и, следовательно, высокие потери.

Допустимый ток КЗ IGBT гораздо выше, чем у биполярного транзистора. Обычно он равен 10-кратному номинальному току при допустимых напряжениях на затворе. Ведущие фирмы, такие как International Rectifier, Siemens, Fuji выпускают транзисторы, выдерживающие без повреждения такие перегрузки. Этот параметр оговаривается в справочных данных на транзисторы и называется Short Circuit Ration., а допустимое время перегрузки - tsc - Short Circuit Time.

Быстрая реакция схемы защиты вообще полезна для большинства применений. Использование таких схем защиты в сочетании с высокоэффективными IGBT повышают эффективность работы схемы без снижения надежности.

Применение драйверов IR для защиты от КЗ

Рассмотрим методы отключения транзисторов в режиме перегрузки на примере драйверов фирмы International Rectifier, так как эти микросхемы позволяют реализовать функции защиты наиболее полно.

Драйвер одиночного транзистора

На рис.4 приведена типовая схема подключения драйвера транзистора верхнего плеча IR2125 с использованием функции защиты от перегрузки. Для этой цели используется вывод 6 - CS. Напряжение срабатывания защиты - 230мВ. Для измерения тока в эмиттере установлен резистор RSENSE, номинал которого и делитель R1,R4 определяют ток защиты.

Рис. 4

Как было указано выше, если при появлении перегрузки уменьшить на-пряжение на затворе, период распознавания аварийного режима может быть увеличен. Это необходимо для исключения ложных срабатываний. Данная функция реализована в микросхеме IR2125. Конденсатор С1, подключенный к выводу ERR, определяет время анализа состояния перегрузки. При С1=300пФ, время анализа составляет около 10мкс. На это время включается схема стабилизации тока коллектора и напряжение на затворе снижается. Если состояние перегрузки не прекращается, то через 10мкс транзистор отключается полностью.

Отключение защиты происходит при снятии входного сигнала, что позволяет пользователю организовать триггерную схему защиты. При использовании такой защиты особое внимание следует уделить выбору времени повторного включения, которое должно быть больше тепловой постоянной времени кристалла силового транзистора. Тепловая постоянная времени может быть определена из графика теплового импеданса Zthjc.

Описанный способ включения транзистора имеет свои недостатки. Резистор RSENSE должен быть мощным и безындуктивным (серийно выпускаемые витые мощные резисторы имеют недопустимо высокую паразитную индуктивность). Кроме того он создает дополнительные потери мощности, что снижает эффективность схемы. На рис.5 приведена схема, свободная от указанных недостатков. В этой схеме для анализа ситуации перегрузки используется зависимость напряжения насыщения от тока коллектора. Для MOSFET транзисторов эта зависимость практически линейна, т.к. сопротивление открытого канала мало зависит от тока стока. У IGBT график Von=f(Ic) нелинеен, однако точность его вполне достаточна для выбора напряжения, соответствующего току требуемому защиты.

Для анализа состояния перегрузки по напряжению насыщения измерительный резистор не требуется. При подаче положительного управляющего сигнала на затвор, на входе защиты драйвера SC появляется напряжение, определяемое суммой падения напряжения на открытом диоде VD2 и на открытом силовом транзисторе Q1 и делителем R1, R4, который задает ток срабатывания. Падение напряжения на диоде практически неизменно и составляет около 0,5В. Напряжение открытого транзистора при выбранном токе КЗ определяется из графика Von=f(Ic). Диод VD2, как и VD1 должен быть быстродействующим и высоковольтным.

Рис. 5

Кроме защиты от перегрузки по току, драйвер анализирует напряжение питания входной части VСС и выходного каскада VB, отключая транзистор при падении VB ниже 9В, что необходимо для исключения линейного режима работы транзистора. Такая ситуация может возникнуть как при повреждении низковольтного источника питания, так и при неправильном выборе бутстрепной емкости С2. Величина емкости С2 должна вычисляться исходя из тока затвора силового транзистора и минимальной частоты следования импульсов. Если возможно пропадание импульсов, необходимо использовать "плавающий" источник питания. Данный способ защиты является наиболее предпочтительным и использовать первую схему целесообразно только тогда, когда нужно точное задание тока защиты.

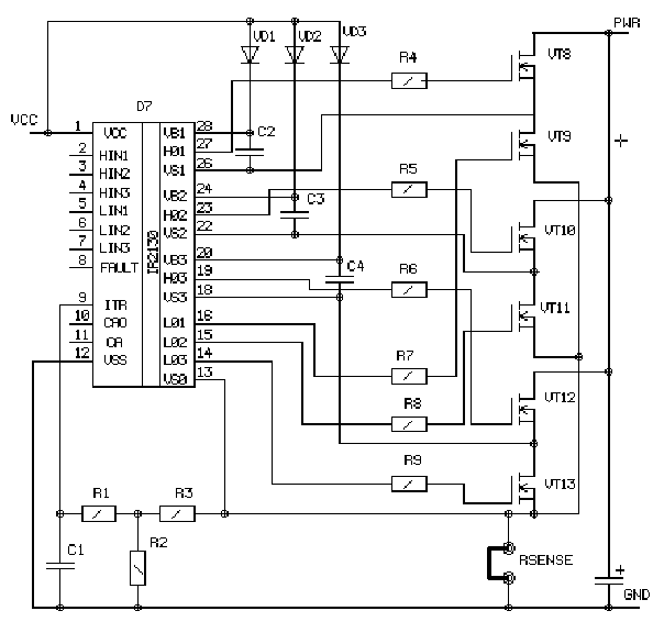
Драйвер трехфазного моста

На рис.6 приведена схема подключения драйвера трехфазного моста IR2130 с использованием функции защиты от перегрузки. Для этой цели используется вход ITR. Напряжение срабатывания защиты - 500мВ. Для измерения полного тока моста в эмиттерах установлен резистор RSENSE, номинал которого вместе с делителем R2, R3 определяет ток защиты.

Драйвер IR2130 обеспечивает управление MOSFET и IGBT транзисторами при напряжении до 600В, имеет защиту от перегрузки по току и от снижения питающих напряжений. Схема защиты содержит полевой транзистор с открытым стоком для индикации неисправности (FAULT). Он также имеет встроенный усилитель тока нагрузки, что позволяет вырабатывать контрольные сигналы и сигналы обратной связи. Драйвер формирует время задержки (deadtime) между включением транзисторов верхнего и нижнего плеча для исключения сквозных токов. Это время составляет 1-2 мкс.

Для правильного использования указанной микросхемы и создания на ее основе надежных схем надо учитывать несколько нюансов.

Рис. 6

Особенностью драйвера IR2130 является отсутствие функции ограничения напряжения на затворе при КЗ. По этой причине постоянная времени цепочки R1C1, предназначенной для задержки включения защиты, не должна превышать 1мкс. Разработчик должен учитывать это обстоятельство и рассчитывать, что отключение моста произойдет через 1мкс после возникновения КЗ, в результате чего ток (особенно при активной нагрузке) может превысить расчетное значение.

Ток включения/выключения для IR2130 составляет 200/400 мА. Это необходимо учитывать при выборе силовых транзисторов и резисторов затвора для них. В параметрах на транзистор указывается величина заряда затвора (обычно в нК), которая определяет, при данном токе, время включения/выключения транзистора. Длительность переходных процессов, связанных с переключением, должна быть меньше времени задержки, формируемого драйвером (1-2мкс). Применение очень мощных транзисторов с большими паразитными емкостями может привести к ложному открыванию транзистора нижнего плеча при открывании верхнего из-за эффекта Миллера. Уменьшение резистора затвора или использование диода, параллельного этому резистору не всегда решает проблему по причине недостаточного тока выключения (400мА). В этом случае рационально применение усилителя тока. В качестве него могут быть использованы буферные каскады или полумостовые драйверы IR211X.

Указанные обстоятельства обычно не создают проблем, и данная микросхема на сегодняшний день является оптимальным элементом для управления трехфазными мостовыми усилителями.

1 - Силовые IGBT модули. Материалы по применению. Издательство "Додека", М.1997

ООО “Мега-Электроника”





 
Впервые? | Реклама на сайте | О проекте | Карта портала
тел. редакции: +7 (995) 900 6254. e-mail:info@eust.ru
©1998-2023 Рынок Микроэлектроники